Suðunipplar AS - ryðfríir

Ryðfrír skerkónafittings úr AISI 316.
Vottað skv. DIN EN ISO 9001:2008.
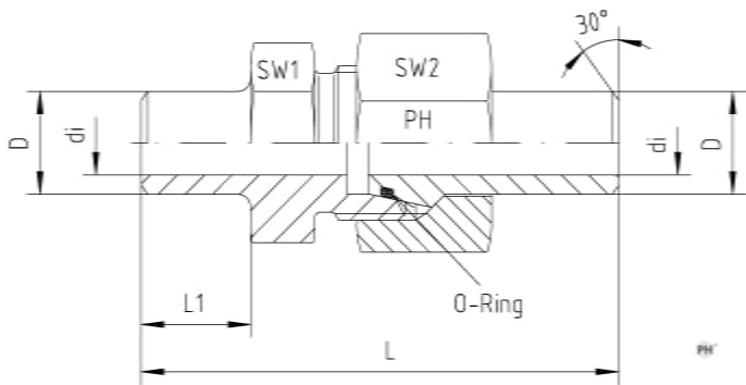
GE tengi með suðunippli, gerðir L og S.