Kælielementið er frítt (fljótandi) í kælinum sem tryggir lágmarks hitaleiðni og auðveldar viðhald og þrif.
Hægt er að endurnýja kælielementið, ytra húsið og endaflansa ef þörf er á.
Endaflansar eru úr sjóþolnum kopar en hægt er að fá þá úr járni ef þörf er á því.
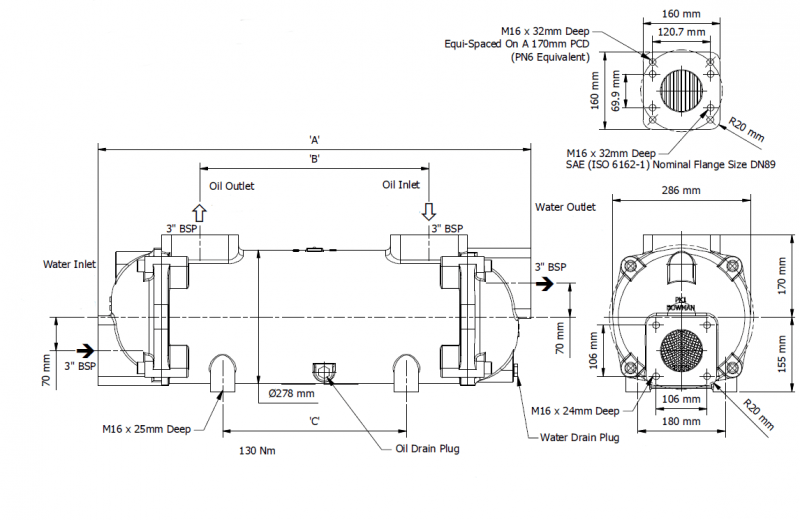
| Vöruheiti | Hámarks olíuflæði L/min | A mm | B mm | C " | Vörunúmer |
|---|---|---|---|---|---|
| PK 190 Marine | 1600 | 754 | 275 | 3 | BOW-PK190MAR |
| PK 250 Marine | 1240 | 900 | 275 | 3 | BOW-PK250MAR |
| PK 320 Marine | 1060 | 1078 | 275 | 3 | BOW-PK320MAR |












