Piusi býður breiðari línu af sambærilegum dælum. Vinsamlega leitið upplýsinga hjá sölumönnum Landvéla.
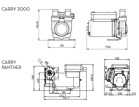
| Vöruheiti | Flæði l/mín | Straumur VDC | Rofi Amp | sn/mín | Þrýstigeta BAR | Stútar "BSP | Þyngd kg | Vörunúmer |
|---|---|---|---|---|---|---|---|---|
| CARRY-3000 | 50 | 12 | 25 | 2900 | 1.5 | - | 4.2 | PIU20-CARRY300012V |
| CARRY-3000 | 50/30 | 12/24 | 15 | 2900/1500 | 1.5 | - | 4.2 | PIU20-CARRY300024V |
| CARRY PANTHER | 35/70 | 12/24 | - | 3500/1800 | 1 | 9.1 | PIU20-CARRY-PANT |







