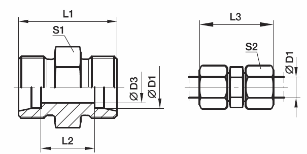
| Vöruheiti | Rörastærð D1 mm | Gegnumborun D3 mm | Hæð L1 mm | Hæð L2 mm | Hæð L3 mm | Lykilmál S1 | Lykilmál S2 | Þrýstiþol BAR | Vörunúmer |
|---|---|---|---|---|---|---|---|---|---|
| Gerð – LL | |||||||||
| G 4LL | 4 | 3 | 20 | 12 | 31 | 9 | 10 | 100 | 14111051 |
| G 6LL | 6 | 4.5 | 20 | 9 | 32 | 11 | 12 | 100 | 14111101 |
| G 8LL | 8 | 6 | 23 | 12 | 35 | 12 | 14 | 100 | 14111151 |
| G 10LL | 10 | 8 | 23 | 12 | 35 | 14 | 17 | 100 | |
| G 12LL | 12 | 10 | 23 | 11 | 35 | 17 | 19 | 100 | |
| Gerð – L | |||||||||
| G 6L | 6 | 4 | 24 | 10 | 39 | 12 | 14 | 500 | 14112001 |
| G 8L | 8 | 6 | 25 | 11 | 40 | 14 | 17 | 500 | 14112051 |
| G 10L | 10 | 8 | 27 | 13 | 42 | 17 | 19 | 500 | 14112101 |
| G 12L | 12 | 10 | 28 | 14 | 43 | 19 | 22 | 400 | 14112151 |
| G 15L | 15 | 12 | 30 | 16 | 46 | 24 | 27 | 400 | 14112201 |
| G 18L | 18 | 15 | 31 | 16 | 48 | 27 | 32 | 400 | 14112251 |
| G 22L | 22 | 19 | 35 | 20 | 52 | 32 | 36 | 250 | 14112301 |
| G 28L | 28 | 24 | 36 | 21 | 54 | 41 | 41 | 250 | 14112351 |
| G 35L | 35 | 30 | 41 | 20 | 63 | 46 | 50 | 250 | 14112401 |
| G 42L | 42 | 36 | 43 | 21 | 66 | 55 | 60 | 250 | 14112451 |
| Gerð – S | |||||||||
| G 6S | 6 | 4 | 30 | 16 | 45 | 14 | 17 | 800 | 14112501 |
| G 8S | 8 | 5 | 32 | 18 | 47 | 17 | 19 | 800 | 14112551 |
| G 10S | 10 | 7 | 32 | 17 | 49 | 19 | 22 | 800 | 14112601 |
| G 12S | 12 | 8 | 34 | 19 | 51 | 22 | 24 | 630 | 14112651 |
| G 14S | 14 | 10 | 38 | 22 | 57 | 24 | 27 | 630 | 14112701 |
| G 16S | 16 | 12 | 38 | 21 | 57 | 27 | 30 | 630 | 14112751 |
| G 20S | 20 | 16 | 44 | 23 | 66 | 32 | 36 | 420 | 14112801 |
| G 25S | 25 | 20 | 50 | 26 | 74 | 41 | 46 | 420 | 14112851 |
| G 30S | 30 | 25 | 54 | 27 | 80 | 46 | 50 | 420 | 14112901 |
| G 38S | 38 | 32 | 61 | 29 | 90 | 55 | 60 | 420 | 14112951 |
Samtengi, G - galvaníseruð
Galvaniseraður skerkónafittings fyrir háþrýstar vökvalagnir
Flokkar: Fittings, Lagnaefni, Skerkóna fittings, Stálfittings
Brand: Parker
Available Options
| Vörunúmer | Vöruheiti | Verð | Magn |
|---|---|---|---|
| 14111051 | G 4LL | ||
| 14111101 | G 6LL | ||
| 14111151 | G 8LL | ||
| 14112001 | G 6L | ||
| 14112051 | G 8L | ||
| 14112101 | G 10L | ||
| 14112151 | G 12L | ||
| 14112201 | G 15L | ||
| 14112251 | G 18L | ||
| 14112301 | G 22L | ||
| 14112351 | G 28L | ||
| 14112401 | G 35L | ||
| 14112451 | G 42L | ||
| 14112501 | G 6S | ||
| 14112551 | G 8S | ||
| 14112601 | G 10S | ||
| 14112651 | G 12S | ||
| 14112701 | G 14S | ||
| 14112751 | G 16S | ||
| 14112801 | G 20S | ||
| 14112851 | G 25S | ||
| 14112901 | G 30S | ||
| 14112951 | G 38S |







