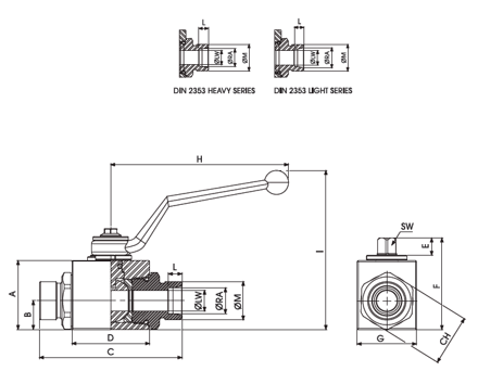
| Vöruheiti | Röra stærð mm | Þrýsti þol BAR | Hæð A mm | Hæð B mm | Lengd C mm | Lengd D mm | Hæð F mm | Breidd G mm | Lengd L mm | Lykil mál CH | Gegnum borun LW | Vörunúmer |
|---|---|---|---|---|---|---|---|---|---|---|---|---|
| Gerð – L | ||||||||||||
| Kúluloki 6L | 6 | 500 | 35 | 14.5 | 76 | 42.4 | 49 | 30 | 7 | 24 | 6 | |
| Kúluloki 8L | 8 | 500 | 35 | 14.5 | 76 | 42.4 | 49 | 30 | 7 | 24 | 6 | 73002408 |
| Kúluloki 10L | 10 | 500 | 40 | 17.4 | 76.5 | 44.4 | 54.25 | 35 | 7 | 30 | 10 | 73002410 |
| Kúluloki 12L | 12 | 500 | 40 | 17.4 | 79.5 | 44.4 | 54.25 | 35 | 7 | 30 | 10 | 73002412 |
| Kúluloki 15L | 15 | 500 | 43 | 18 | 87 | 48.4 | 57 | 37 | 7 | 32 | 13 | 73002415 |
| Kúluloki 18L | 18 | 500 | 43 | 18 | 87 | 48.4 | 57 | 37 | 7.5 | 32 | 13 | 73002418 |
| Kúluloki 22L | 22 | 400 | 57 | 23.4 | 110 | 62.5 | 73.5 | 49 | 7.5 | 41 | 20 | 73002422 |
| Kúluloki 28L | 28 | 350 | 65 | 29.5 | 117 | 66.5 | 83.5 | 55 | 7.5 | 50 | 25 | 73002428 |
| Kúluloki 35L | 35 | 350 | 65 | 29.5 | 119 | 66.5 | 83.5 | 55 | 10.5 | 50 | 25 | 73002435 |
| Kúluloki 42L | 42 | 350 | 65 | 29.5 | 119 | 66.5 | 83.5 | 55 | 11 | 55 | 25 | 73002442 |
| Gerð – S | ||||||||||||
| Kúluloki 8S | 8 | 500 | 35 | 14.5 | 76 | 42.4 | 49 | 30 | 7 | 24 | 4 | 73002409 |
| Kúluloki 10S | 10 | 500 | 35 | 14.5 | 76 | 42.4 | 49 | 30 | 7.5 | 24 | 6 | |
| Kúluloki 12S | 12 | 500 | 40 | 17.4 | 76 | 44.4 | 54.25 | 35 | 7.5 | 30 | 10 | 73002413 |
| Kúluloki 14S | 14 | 500 | 40 | 17.4 | 82.5 | 44.4 | 54.25 | 35 | 8 | 30 | 10 | 73002414 |
| Kúluloki 16S | 16 | 500 | 43 | 18 | 89 | 48.4 | 57 | 37 | 8.5 | 32 | 13 | 73002416 |
| Kúluloki 20S | 20 | 500 | 43 | 18 | 93 | 48.4 | 57 | 37 | 10.5 | 32 | 13 | 73002420 |
| Kúluloki 25S | 25 | 400 | 57 | 23.4 | 111 | 62.5 | 73.5 | 49 | 12 | 41 | 20 | 73002425 |
| Kúluloki 30S | 30 | 350 | 65 | 29.5 | 121 | 66.5 | 83.5 | 55 | 13 | 50 | 25 | 73002430 |
| Kúluloki 38S | 38 | 350 | 65 | 29.5 | 131 | 66.5 | 83.5 | 55 | 16 | 55 | 25 | 73002438 |





