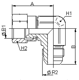
Hné 90° M/F JIC

Galvaniseraður háþrýstifittings með 37° flerkón í enda (JIC).