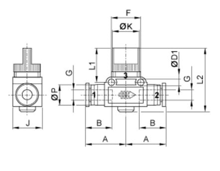
| Vöruheiti | Rörastærð mm | Flæði l/mín | A mm | B mm | D1 mm | F mm | L1 mm | L2 mm | J mm | K mm | P mm | Vörunúmer |
|---|---|---|---|---|---|---|---|---|---|---|---|---|
| 3/2 loki 6mm. | 6 | 500 | 26.3 | 17.2 | 4.2 | 18.2 | 22 | 40.5 | 17.6 | 16.4 | 12.4 | 31630606 |
| 3/2 loki 8mm. | 8 | 550 | 27.5 | 18.4 | 4.2 | 18.2 | 22 | 40.5 | 17.6 | 16.4 | 14.4 | 31630808 |
| 3/2 loki 10mm. | 10 | 1500 | 32.4 | 21 | 4.2 | 24 | 19.1 | 40.5 | 21.2 | 19.2 | 17.6 | 31631010 |
| 3/2 loki 12mm. | 12 | 1600 | 34.9 | 23.5 | 4.2 | 24 | 19.1 | 40.5 | 21.2 | 19.2 | 21.2 | 31631212 |
Loftlokar 3/2
Loki fyrir þrýstiloft.
Vinnuþrýstingur: 0 – 10 BAR.
Hitaþol: 0/+60°C.

Flokkar: Lokar, Mekanískir lokar
Brand: Aventics
Available Options
| Vörunúmer | Vöruheiti | Verð | Magn |
|---|---|---|---|
| 31630606 | 3/2 loki 6mm | ||
| 31630808 | 3/2 loki 8mm | ||
| 31631010 | 3/2 loki 10mm | ||
| 31631212 | 3/2 loki 12mm |





