PS = Vinnuþrýstingur.
Prufuþrýstingur = PS x 1,5
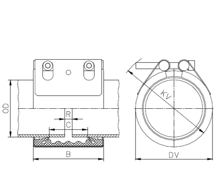
| Vöruheiti | Þver mál OD mm | Herslusvið | þrýsti þol BAR | Breidd B mm | Bil C mm | Utan mál DV mm | Mesta þver mál KV mm | Bil R mm | Hersla Nm | Vörunúmer NBR | Vörunúmer EPDM |
|---|---|---|---|---|---|---|---|---|---|---|---|
| Flex 1L | 48.3 | 47,0-49,5 | 25 | 75 | 35 | 70 | 85 | 5 | 7.5 | ST2010483 | ST2000483 |
| Flex 1L | 54 | 52,5-55,5 | 25 | 75 | 35 | 76 | 90 | 5 | 7.5 | ST2000540 | |
| Flex 1L | 57 | 55,5-58,5 | 25 | 75 | 35 | 79 | 95 | 5 | 7.5 | ST2000570 | |
| Flex 1L | 60.3 | 59,0-61,5 | 25 | 75 | 35 | 82 | 95 | 5 | 7.5 | ST2010603 | ST2000603 |
| Flex 1L | 73 | 71,5-74,5 | 25 | 94 | 51 | 95 | 117 | 5 | 7.5 | ||
| Flex 1L | 76.1 | 74,5-77,5 | 25 | 94 | 51 | 98 | 122 | 5 | 7.5 | ST2010761 | ST2000761 |
| Flex 1L | 84 | 82,5-85,5 | 24 | 94 | 51 | 106 | 127 | 5 | 7.5 | ST2000840 | |
| Flex 1L | 88.9 | 87,5-90,5 | 24 | 94 | 51 | 111 | 132 | 5 | 7.5 | ST2010889 | ST2000889 |
| Flex 1L | 100.6 | 99,0-102,5 | 23 | 94 | 51 | 123 | 147 | 5 | 7.5 | ||
| Flex 1L | 101.6 | 100,0-103,5 | 23 | 94 | 51 | 124 | 147 | 5 | 7.5 | ||
| Flex 1L | 104 | 102,5-105,5 | 22 | 94 | 51 | 126 | 147 | 5 | 7.5 | ST2001040 | |
| Flex 1L | 104.8 | 103,0-106,5 | 22 | 94 | 51 | 127 | 147 | 5 | 7.5 | ||
| Flex 1L | 108 | 106,5-109,5 | 22 | 94 | 51 | 130 | 152 | 5 | 7.5 | ST2001080 | |
| Flex 1L | 114.3 | 112,5-116,0 | 21 | 94 | 51 | 136 | 157 | 5 | 7.5 | ST2011143 | ST2001143 |
| Flex 1L | 127 | 125,0-129,0 | 19 | 107 | 62 | 149 | 165 | 5 | 10 | ||
| Flex 1L | 129 | 127,0-131,0 | 18 | 107 | 62 | 151 | 165 | 5 | 10 | ST2001290 | |
| Flex 1L | 130.2 | 128,5-132,0 | 18 | 107 | 62 | 152 | 165 | 5 | 10 | ||
| Flex 1L | 133 | 131,0-135,0 | 16 | 107 | 62 | 155 | 170 | 5 | 10 | ST2001330 | |
| Flex 1L | 139.7 | 138,0-141,5 | 16 | 107 | 62 | 162 | 175 | 5 | 10 | ST2011397 | ST2001397 |
| Flex 1L | 141.3 | 139,5-143,0 | 16 | 107 | 62 | 163 | 180 | 5 | 10 | ||
| Flex 1L | 154 | 152,0-156,0 | 16 | 107 | 62 | 176 | 190 | 5 | 10 | ST2011540 | |
| Flex 1L | 159 | 157,0-161,0 | 16 | 107 | 62 | 181 | 195 | 5 | 10 | ||
| Flex 1L | 168.3 | 166,0-170,5 | 16 | 107 | 62 | 190 | 205 | 5 | 10 | ST2011683 | ST2001683 |





