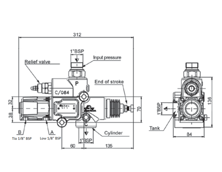
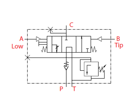
Sturtulokar 1", Bezares

Sturtuloki með öryggisloka
Flæði: 180 L/min
Hámarks þrýstingur: 400 bar