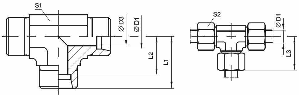
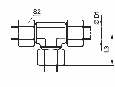
Samtengi T - galvaníseruð

Galvaniseraður skerkónafittings fyrir háþrýstar vökvalagnir