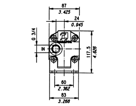
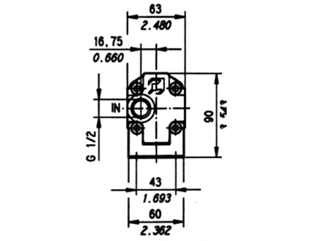
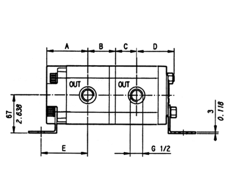
Tannhjóladeilar

Flæðideilar sem hægt er að nota til að jafna flæði, deila því milli notenda eða auka þrýsting.

Tannhjoladeilir vinnumynd1

‎