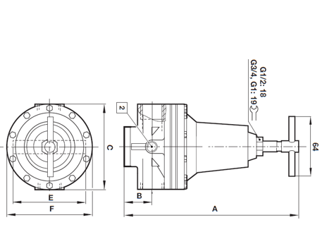
| Vöruheiti | Gengjur BSP | Hæð A mm | Hæð B mm | Þvermál C mm | Þvermál E mm | Þvermál F mm | Vörunúmer |
|---|---|---|---|---|---|---|---|
| Þrýstij 1/2″ 0-8 bar | 1/2 | 162 | 36 | 86 | 82 | 83 | 64002160 |
| Þrýstij 3/4″ 0-8 bar | 3/4 | 232 | 41 | 124 | 108 | 124 | 64002165 |
| Þrýstij 1″ 0,2 – 8 bar | 1 | 232 | 41 | 124 | 108 | 124 | 64002170 |
Þrýstijafnarar 20AG - Norgren
Efni: Þrýstiloft
Hámarks inntaksþrýstingur: 28 Bar
Þrýstingur út: 0,2-8 Bar
Hitaþol: -20°C til +80°C
Loft verður að vera nógu þurrt til að ekki myndist ísing ef hitastig fer niður fyrir 2°C
Efni í húsi: Sink blanda
Þéttingar: NBR






