Frekari upplýsingar um Norgren Olympian má finna undir flipanum Tækniupplýsingar
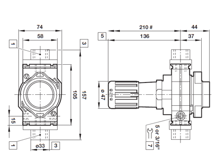
Þrýstijafnarar R64G Norgren Olympian
Hönnuð fyrir línulega uppsetningu með öðrum Olympian búnaði
Efni: Þrýstiloft
Hámarks inntaksþrýstingur: 17 BAR
Þrýstisvið: 0,3-10 BAR
Hitaþol: -20°C til +80°C
Loft verður að vera nógu þurrt til að ekki myndist ísing ef hitastig fer niðurfyrir 2°C
Efni í húsi: Sink blanda
Þéttingar: NBR
Vörunúmer: 1/4″-3/4″: 64002280





