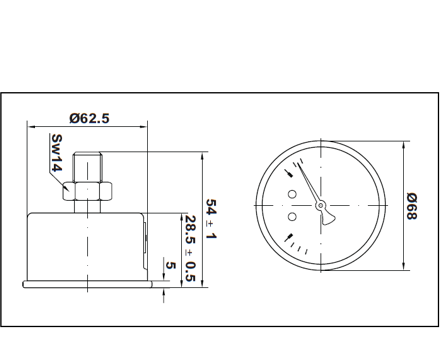
Þrýstimælar 63 mm, olíufylltir, baktengi
Þrýstimælir frá Watts
Þvermál húss: 63 mm
Tengi á baki: 1/4″ BSP
Hús: Ryðfrítt stál 304
Gluggi, kvarði og ör: Plast
Tengi: Koparblanda
Olíufylling: 86,5% glycerine
Hönnun: EN 837-1
Stöðugur vinnuþrýstingur: 75% af kvarða
Flöktandi vinnuþrýstingur: 60% af kvarða
Óhætt er að vinna á fullum kvarða í stuttan tíma.
Hitaþol: Umhverfishiti -10/+60°C
Nákvæmnisstuðull: sl. 1,6





