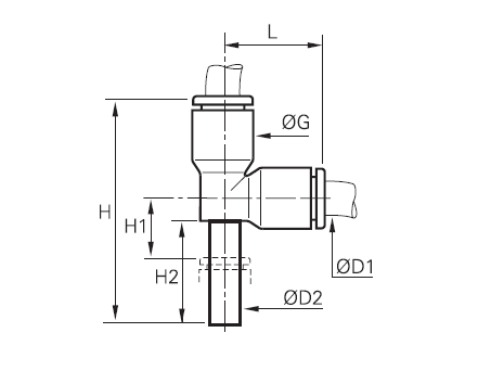
| Vöruheiti | Rörastærð D1 mm | Rörastærð D2 mm | Utanmál G mm | Hæð H mm | Hæð H1 mm | Hæð H2 mm | Lengd L mm | Vörunúmer |
|---|---|---|---|---|---|---|---|---|
| Stút T 4mm | 4 | 4 | 8.5 | 33 | 6 | 15.5 | 14.5 | |
| Stút T 4x4x6mm | 4 | 6 | 10.5 | 38.5 | 7 | 17 | 17.5 | |
| Stút T 6mm | 6 | 6 | 10.5 | 38.5 | 7 | 17 | 17 | 31830600 |
| Stút T 6x6x8mm | 6 | 8 | 13.5 | 48.5 | 8 | 21.5 | 23 | |
| Stút T 8mm | 8 | 8 | 13.5 | 49 | 8 | 21.5 | 23 | 31830800 |
| Stút T 8x8x10mm | 8 | 10 | 16 | 56.5 | 10.5 | 24.5 | 26.5 | |
| Stút T 10mm | 10 | 10 | 16 | 57 | 10.5 | 24.5 | 26.5 | 31831000 |
| Stút T 10x10x12mm | 10 | 12 | 19 | 65.5 | 10.5 | 27.5 | 31 | |
| Stút T 12mm | 12 | 12 | 19 | 65.5 | 10.5 | 27.5 | 31 |
Té með stút á enda, Legris
Smellutengi fyrir plaströr.
Þrýstiþol 20 Bar.
Hitaþol -20°C til +80°C
Flokkar: Fittings, Lagnaefni, Legris smellu fittings, Plastfittings
Brand: Parker Legris
Available Options
| Vörunúmer | Vöruheiti | Verð | Magn |
|---|---|---|---|
| 31830600 | Stút T 6mm | ||
| 31830800 | Stút T 8mm | ||
| 31831000 | Stút T 10mm |





