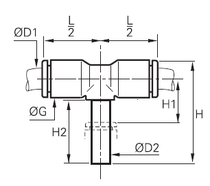
Té með stút í miðju, Legris

Smellutengi fyrir plaströr.
Þrýstiþol 20 Bar.
Hitaþol -20°C upp í +80°C.