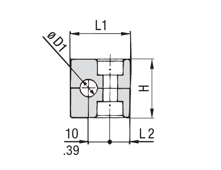
Rörabaulur

Plastbaulur til að festa rör eða slöngur.

Landvélar eru með tvær gerðir af plastbaulum á lager:
Grænar PP (Copolymeric Polypropylene) baulur með hitaþol -30/+90°C.
Svartar SA (Thermoplastic Elastomer) baulur með hitaþol -40/+125°C.