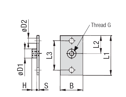
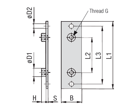
Boltaðar undirplötur fyrir rörabaulur

Þessar festingar henta vel þar sem hægt er að bolta þær niður.
Hægt er að velja festingar úr stáli eða ryðfríu stáli.