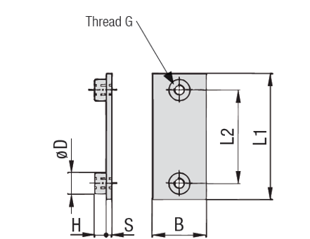
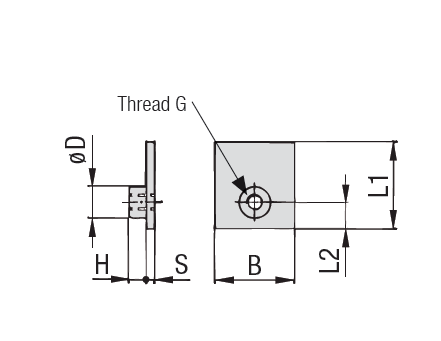
Soðnar undirplötur fyrir rörabaulur

Þessar festingar henta vel þar sem æskilegt er að sjóða þær fastar.
Hægt er að velja festingar úr stáli eða ryðfríu stáli.