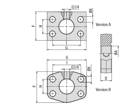
| Vöruheiti | Þrýsti þol m.v. 8.8 bolta BAR | Þrýsti þol m.v. 10.9 bolta BAR | Stærð „ | Þver mál A mm | Hæð D mm | Breidd F mm | Lengd G mm | Breidd H mm | Lengd I mm | Gatamál K mm | Gerð | Vörunúmer |
|---|---|---|---|---|---|---|---|---|---|---|---|---|
| 3000 psi | ||||||||||||
| Mælatengi SAE 1/2″ | 350 | 350 | 1/2 | 12 | 24 | 40 | 55 | 17.5 | 38.1 | 8.7 | A | 75004550 |
| Mælatengi SAE 3/4″ | 350 | 350 | 3/4 | 19 | 28 | 50 | 65 | 22.3 | 47.6 | 10.5 | A | 75004551 |
| Mælatengi SAE 1″ | 250 | 315 | 1 | 24 | 25 | 60 | 70 | 26.2 | 52.4 | 10.5 | B | 75004552 |
| Mælatengi SAE 1-1/4″ | 200 | 250 | 1-1/4 | 31 | 23 | 68 | 82 | 30.2 | 58.7 | 11.7 | B | 75004554 |
| Mælatengi SAE 1-1/2″ | 200 | 200 | 1-1/2 | 38 | 24 | 79 | 96 | 35.7 | 69.9 | 13.5 | B | 75004555 |
| Mælatengi SAE 2″ | 160 | 200 | 2 | 50 | 24 | 88 | 102 | 42.9 | 77.8 | 13.5 | B | 75004556 |
| 6000 psi | ||||||||||||
| Mælatengi SAE 1/2″ | 350 | 400 | 1/2 | 12 | 24 | 40 | 55 | 18.2 | 40.5 | 8.7 | A | 75004561 |
| Mælatengi SAE 3/4″ | 350 | 400 | 3/4 | 19 | 25 | 60 | 706 | 23.8 | 50.8 | 10.5 | A | 75004562 |
| Mælatengi SAE 1″ | 350 | 400 | 1 | 25 | 23 | 68 | 82 | 27.8 | 57.2 | 13 | B | 75004563 |
| Mælatengi SAE 1-1/4″ | 350 | 400 | 1-1/4 | 31 | 25 | 79 | 95 | 31.8 | 66.6 | 13.5 | B | 75004564 |
| Mælatengi SAE 1-1/2″ | 350 | 400 | 1-1/2 | 38 | 28 | 88 | 108 | 36.5 | 79.3 | 17 | B | 75004565 |
| Mælatengi SAE 2″ | 350 | 400 | 2 | 50 | 33 | 118 | 137 | 44.5 | 96.8 | 21 | B | 75004566 |
SAE dæluflansar - mælatengi
Dæluflans, mælatengi með sæti fyrir þéttihring.
Efni: S355JO eða sambærilegt.
Flokkar: Dæluflansar, Mælar og nemar, Mælatengi, SAE dæluflansar, Vökvabúnaður, Vökvadælur
Merki: Stauff





