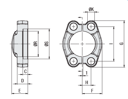
| Vöruheiti | Þrýsti þol m.v. 8.8 bolta BAR | Þrýsti þol m.v. 10.9 bolta BAR | Stærð „ | Þver mál R mm | Þver mál S mm | Hæð C mm | Hæð D mm | Hæð E mm | Breidd F mm | Lengd G mm | Breidd H mm | Lengd I mm | Gat mál K mm | Vöru númer |
|---|---|---|---|---|---|---|---|---|---|---|---|---|---|---|
| 3000 psi | ||||||||||||||
| Spenni klossar SAE 1/2″ | 350 | 350 | 1/2 | 24.3 | 31 | 6.2 | 13 | 19 | 22.8 | 54 | 8.75 | 38.1 | 8.7 | 75004120 |
| Spenni klossar SAE 3/4″ | 350 | 350 | 3/4 | 32.2 | 38.9 | 6.2 | 14 | 22 | 25.9 | 65 | 11.15 | 47.6 | 10.5 | 75004130 |
| Spenni klossar SAE 1″ | 250 | 315 | 1 | 38.5 | 45.3 | 7.5 | 16 | 24 | 29.2 | 70 | 13.1 | 52.4 | 10.5 | 75004140 |
| Spenni klossar SAE 1-1/4″ | 200 | 250 | 1 1/4 | 43.7 | 51.6 | 7.5 | 14 | 22 | 36.3 | 79.5 | 15.1 | 58.7 | 12 | 75004150 |
| Spenni klossar SAE 1-1/2″ | 200 | 200 | 1 1/2 | 50.8 | 61.1 | 7.5 | 16 | 25 | 41.1 | 94 | 17.85 | 69.9 | 13.5 | 75004160 |
| Spenni klossar SAE 2″ | 160 | 200 | 2 | 62.8 | 72.3 | 9 | 16 | 26 | 48.2 | 102 | 21.45 | 77.8 | 13.5 | 75004170 |
| Spenni klossar SAE 2-1/2″ | 100 | 160 | 2 1/2 | 74.9 | 84.9 | 9 | 19 | 38 | 54.1 | 114.5 | 25.4 | 88.9 | 13.5 | 75004172 |
| Spenni klossar SAE 3″ | 100 | 160 | 3 | 90.9 | 102.4 | 9 | 22 | 41 | 65.3 | 135 | 30.95 | 106.4 | 17 | 75004175 |
| Spenni klossar SAE 3-1/2″ | 35 | 35 | 3 1/2 | 102.4 | 115.1 | 10.7 | 22 | 28 | 69.6 | 152 | 34.95 | 120.7 | 17 | |
| Spenni klossar SAE 4″ | 35 | 35 | 4 | 115 | 127.8 | 10.7 | 25 | 35 | 75.9 | 162 | 38.9 | 130.2 | 17 | |
| Spenni klossar SAE 5″ | 35 | 35 | 5 | 140.5 | 153.2 | 10.7 | 28 | 41 | 90.4 | 184 | 46.05 | 152.4 | 17 | |
| 6000 psi | ||||||||||||||
| Spenni klossar SAE 1/2″ | 350 | 400 | 1/2 | 24.6 | 35.5 | 7.2 | 16 | 22 | 23.6 | 565 | 9.1 | 40.5 | 8.7 | 75004178 |
| Spenni klossar SAE 3/4″ | 350 | 400 | 3/4 | 32.5 | 42 | 8.2 | 19 | 28 | 30 | 71 | 11.9 | 50.8 | 10.5 | 75004180 |
| Spenni klossar SAE 1″ | 350 | 400 | 1 | 38.8 | 48.4 | 9 | 24 | 33 | 34.8 | 81 | 13.9 | 57.2 | 11.9 | 75004190 |
| Spenni klossar SAE 1-1/4″ | 350 | 400 | 1-1/4 | 44.5 | 54.8 | 9.8 | 27 | 38 | 38.6 | 95 | 15.9 | 66.6 | 13 | 75004200 |
| Spenni klossar SAE 1-1/2″ | 350 | 400 | 1-1/2 | 51.6 | 64.3 | 12 | 30 | 43 | 47.5 | 113 | 18.25 | 79.3 | 17 | 75004210 |
| Spenni klossar SAE 2″ | 350 | 400 | 2 | 67.6 | 80.2 | 12 | 37 | 52 | 56.9 | 133 | 22.25 | 96.8 | 21 | 75004220 |
SAE spenniklossar fyrir dæluflansa
Spenniklossar fyrir SAE dæluflansa.
Efni: S355JO eða sambærilegt.
Flokkar: Dæluflansar, SAE dæluflansar, Vökvabúnaður, Vökvadælur
Merki: Stauff





