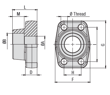
| Vöruheiti | Þrýsti þol m.v. 8.8 bolta BAR | Þrýsti þol m.v. 10.9 bolta BAR | Stærð „ | Þver mál A mm | Þver mál B mm | Hæð D mm | Breidd F mm | Lengd G mm | Breidd H mm | Lengd I mm | Hæð L mm | Hæð M mm | Bolta gengjur M | Vöru númer |
|---|---|---|---|---|---|---|---|---|---|---|---|---|---|---|
| 3000 psi | ||||||||||||||
| Suðuflans SAE 1/2″ | 350 | 350 | 1/2 | 13 | 21.6 | 16 | 47 | 57 | 17.5 | 38.1 | 36 | 18 | 8 | 75004810 |
| Suðuflans SAE 3/4″ | 350 | 350 | 3/4 | 19 | 27.2 | 18 | 50 | 67 | 22.3 | 47.6 | 36 | 18 | 10 | 75004820 |
| Suðuflans SAE 1″ | 250 | 315 | 1 | 25 | 34 | 18 | 54 | 72 | 26.2 | 52.4 | 38 | 18 | 10 | 75004830 |
| Suðuflans SAE 1-1/4″ | 200 | 250 | 1-1/4 | 32 | 42.8 | 21 | 68 | 82 | 30.2 | 58.7 | 41 | 20 | 10 | 75004840 |
| Suðuflans SAE 1-1/2″ | 200 | 200 | 1-1/2 | 38 | 48.6 | 25 | 79 | 96 | 35.7 | 69.9 | 44 | 22 | 12 | 75004850 |
| Suðuflans SAE 2″ | 160 | 200 | 2 | 51 | 61 | 25.5 | 88 | 102 | 42.9 | 77.8 | 45 | 24 | 12 | 75004860 |
| Suðuflans SAE 2-1/2″ | 100 | 160 | 2-1/2 | 63 | 76.6 | 26 | 101 | 115 | 50.8 | 88.9 | 50 | 28 | 12 | 75004870 |
| Suðuflans SAE 3″ | 100 | 100 | 3 | 73 | 90.5 | 27.5 | 127 | 137 | 61.9 | 106.4 | 50 | 28 | 16 | 75004880 |
| Suðuflans SAE 3-1/2″ | 35 | 35 | 3-1/2 | 89 | 103 | 27.5 | 138 | 155 | 69.9 | 120.7 | 50 | 30 | 16 | 75004885 |
| Suðuflans SAE 4″ | 35 | 35 | 4 | 99 | 115.5 | 27.5 | 147 | 163 | 77.8 | 130.2 | 50 | 30 | 16 | 75004890 |
| Suðuflans SAE 5″ | 35 | 35 | 5 | 120 | 142 | 28 | 180 | 184 | 92.1 | 152.4 | 50 | 30 | 16 | |
| 6000 psi | ||||||||||||||
| Suðuflans SAE 1/2″ | 350 | 400 | 1/2 | 13 | 21.6 | 16.5 | 47 | 57 | 18.2 | 40.5 | 36 | 18 | 8 | 75004910 |
| Suðuflans SAE 3/4″ | 350 | 400 | 3/4 | 19 | 27.2 | 19.5 | 54 | 72 | 23.8 | 50.8 | 36 | 20 | 10 | 75004920 |
| Suðuflans SAE 1″ | 350 | 400 | 1 | 25 | 34 | 24.5 | 68 | 82 | 27.8 | 57.2 | 44 | 22 | 12 | 75004930 |
| Suðuflans SAE 1-1/4″ | 350 | 400 | 1-1/4 | 32 | 42.8 | 27.5 | 79 | 95 | 31.8 | 66.6 | 44 | 22 | 12 | 75004940 |
| Suðuflans SAE 1-1/2″ | 350 | 400 | 1-1/2 | 38 | 48.6 | 31 | 88 | 108 | 36.5 | 79.3 | 51 | 24 | 16 | 75004950 |
| Suðuflans SAE 2″ | 350 | 400 | 2 | 51 | 61 | 37 | 118 | 137 | 44.5 | 96.8 | 70 | 33 | 20 | 75004960 |
| Suðuflans SAE 2-1/2″ | 350 | 400 | 2-1/2 | 63 | 76.6 | 45 | 152 | 180 | 58.7 | 123.8 | 80 | 32 | 24 | |
| Suðuflans SAE 3″ | 350 | 400 | 3 | 73 | 90.5 | 55 | 178 | 208 | 71.4 | 152.4 | 90 | 30 | 30 |
SAE suðu dæluflansar án þéttihrings
Dæluflans fyrir rörasuðu.
Án þéttihrings og snittaður fyrir herslubolta.
Efni: S355JO eða sambærilegt.
Flokkar: Dæluflansar, SAE dæluflansar, Vökvabúnaður, Vökvadælur
Merki: Stauff





