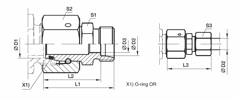
Samtengi KOR - galvaníseruð

Galvaniseraður skerkónafittings fyrir háþrýstar vökvalagnir