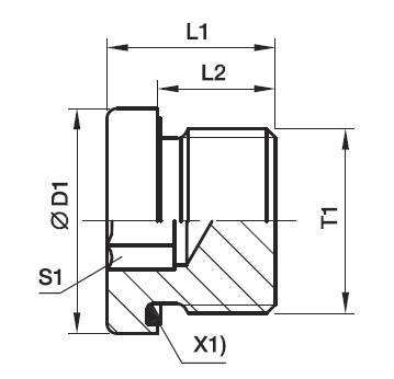
Tappar, sexkant - galvaníseraðir

Galvaniseraður fittings fyrir háþrýstar vökvalagnir