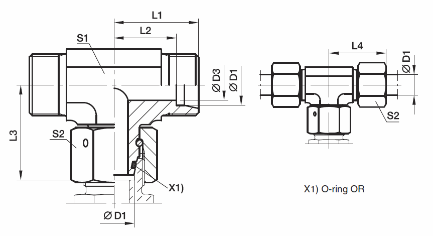
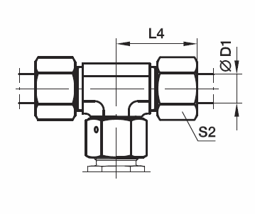
Té EVT - galvaníseruð

Galvaniseraður skerkónafittings fyrir háþrýstar vökvalagnir