Kúluþétting: POM
Stilkþétting: NBR
Þolir tærandi efni.
Hitaþol: -20°C til +100°C
Uppgefin vinnuþrýstingur (BAR) gildir aðeins fyrir staðlaða útgáfu. Hámarks þrýstingur (BAR) skv. upplýsingum á þrýstitengjum.
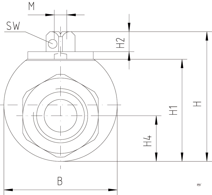
Ítarlegar töflur með málsetningum lokanna og ítarefni um meðferð þeirra má finna undir flipanum Tækniupplýsingar.
Málsetningar geta breyst án fyrirvara.
| Vöruheiti | DN | Þrýstiþol BAR | Utanmál B mm | Hæð H mm | i mm | Lengd L mm | Utanmál rörs RA | Lykilmál á loka SW | Vörunúmer |
|---|---|---|---|---|---|---|---|---|---|
| Gerð – L | |||||||||
| Kúluloki,RF 6L | 5 | 500 | 35 | 43.5 | 10 | 67 | 6 | 22 | |
| Kúluloki,RF 8L | 6 | 500 | 35 | 43.5 | 10 | 67 | 8 | 22 | |
| Kúluloki,RF 10L | 8 | 500 | 35 | 43.5 | 11 | 71 | 10 | 22 | |
| Kúluloki,RF 12L | 10 | 500 | 42 | 49.5 | 11 | 75 | 12 | 27 | 88001212 |
| Kúluloki,RF 15L | 13 | 500 | 45 | 51.5 | 12 | 84 | 15 | 30 | |
| Kúluloki,RF 18L | 13 | 500 | 45 | 51.5 | 12 | 84 | 18 | 30 | |
| Kúluloki,RF 22L | 20 | 400 | 60 | 73 | 14 | 102 | 22 | 41 | |
| Kúluloki,RF 28L | 24 | 400 | 65 | 79 | 14 | 108 | 28 | 46 | |
| Kúluloki,RF 35L | 32 | 350 | 90 | 104 | 16 | 128 | 35 | 60 | |
| Kúluloki,RF 42L | 38 | 350 | 100 | 112 | 16 | 133 | 42 | 70 | |
| Gerð – S | |||||||||
| Kúluloki,RF 6S | 5 | 500 | 35 | 43.5 | 12 | 73 | 6 | 22 | |
| Kúluloki,RF 8S | 5 | 500 | 35 | 43.5 | 12 | 73 | 8 | 22 | |
| Kúluloki,RF 10S | 6 | 500 | 35 | 43.5 | 12 | 73 | 10 | 22 | |
| Kúluloki,RF 12S | 8 | 500 | 35 | 43.5 | 12 | 76 | 12 | 22 | |
| Kúluloki,RF 14S | 10 | 500 | 42 | 49.5 | 14 | 84 | 14 | 27 | |
| Kúluloki,RF 16S | 13 | 500 | 45 | 51.5 | 14 | 87 | 16 | 30 | 88001216 |
| Kúluloki,RF 20S | 13 | 500 | 45 | 51.5 | 16 | 91 | 20 | 30 | |
| Kúluloki,RF 25S | 20 | 400 | 60 | 73 | 18 | 110 | 25 | 41 | |
| Kúluloki,RF 30S | 24 | 400 | 65 | 79 | 20 | 120 | 30 | 46 | |
| Kúluloki,RF 38S | 32 | 350 | 90 | 104 | 22 | 140 | 38 | 60 |







