Kúluþétting: POM
Stilkþétting: NBR
Þolir tærandi efni.
Hitaþol: -20°C til +100°C
Uppgefin vinnuþrýstingur (BAR) gildir aðeins fyrir staðlaða útgáfu. Hámarks þrýstingur (BAR) skv. upplýsingum á þrýstitengjum.
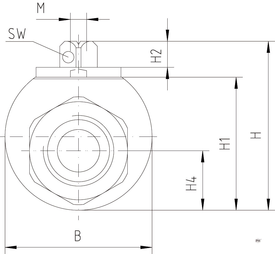
Ítarlegar töflur með málsetningum lokanna og ítarefni um meðferð þeirra má finna undir flipanum Tækniupplýsingar.
Málsetningar geta breyst án fyrirvara.
| Vöruheiti | DN | Þrýstiþol BAR | Gengjur í loka G BSP | Utanmál B mm | Hæð H mm | i mm | Lengd L mm | Lykilmál á loka SW | Vörunúmer |
|---|---|---|---|---|---|---|---|---|---|
| Kúluloki,RKH 1/8" | 5 | 500 | 1/8 | 35 | 43.5 | 9 | 69 | 22 | |
| Kúluloki,RKH 1/4" | 6 | 500 | 1/4 | 35 | 43.5 | 12 | 69 | 22 | 88001004 |
| Kúluloki,RKH 3/8" | 10 | 500 | 3/8 | 42 | 49.5 | 12 | 73 | 27 | 88001006 |
| Kúluloki,RKH 1/2" | 13 | 500 | 1/2 | 45 | 51.5 | 14 | 85 | 30 | 88001008 |
| Kúluloki,RKH 5/8" | 16 | 400 | 5/8 | 50 | 62 | 14 | 84 | 32 | |
| Kúluloki,RKH 3/4" | 20 | 400 | 3/4 | 60 | 73 | 17 | 96 | 41 | 88001012 |
| Kúluloki,RKH 1" | 24 | 400 | 1 | 65 | 79 | 19 | 113 | 46 | 88001016 |
| Kúluloki,RKH 1-1/4" | 32 | 350 | 1 1/4 | 90 | 104 | 20 | 110 | 60 | 88001020 |
| Kúluloki,RKH 1-1/2" | 38 | 350 | 1 1/2 | 100 | 112 | 22 | 120 | 70 | 88001024 |
| Kúluloki,RKH 2" | 48 | 350 | 2 | 120 | 131 | 28 | 140 | 85 | 88001032 |
| Aukahlutir | |||||||||
| Handfang, ryðfrítt fyrir RKH 3/8"-1/2" | |||||||||
| Þéttisett í RKH 3/8" | 88001091 | ||||||||
| Þéttisett í RKH 1/2" | 88001092 |







